联系人:武经理
手机:13933744225
电话: 0319-4786765
传真: 0319-4845306
邮箱: 776150030@qq.com
网址:www.grillkohle24.com
地址:河北省邢台市新河县城北工业区
手电两用螺杆启闭机型号常见的有两大类型,一种为QLSD型,另外一种为QLZSD型,这两种类型的还可以分为单吊点螺杆启闭机和双吊点螺杆启闭机两种,下面老牌水利闸门启闭机厂瑞鑫水工带大家一次看个透!
一、QLSD型手电两用螺杆启闭机型号大全
1、QLSD单吊点螺杆启闭机型号大全

2、QLSD双吊点螺杆启闭机型号大全

二、QLZSD型手电两用螺杆启闭机型号大全
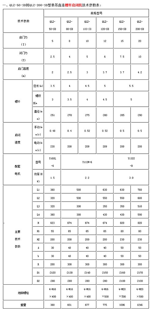
1、QLZSD型单吊点螺杆启闭机型号大全

2、QLZSD双吊点螺杆启闭机型号大全

三、型号说明
1、QLSD型单吊点手电两用螺杆启闭机常见的启闭力通常在3T到80T之间,双吊点手电两用螺杆启闭机的启闭力通常在2×5T到2×80T之间;
2、QLSD型单吊点手电两用螺杆启闭机15T以上通常2个摇把,产品配机械限位器,具有自锁功能,可以停留在任何位置,配有防盗嘴和专用扳手,具有防盗水功能。
3、此种类型的启闭机未作特殊设计时,不能做斜吊运行。

4、QLZSD型单吊点手电两用螺杆启闭机的启闭力量通常在5T到20T之间,双吊点的通常在2×5T到2×20T之间。
5、QLZSD型手电两用螺杆启闭机适用于有下压力要求的各种平面闸门,具有一定的强制闸门下压的功能,常用于水库灌区河道堤坝,水力电站等工程项目上的启闭机,需要注意的是此种类型的螺杆启闭机不适宜长时间超载及长时间连续工作。

联系人:武经理
手机:13933744225
电话: 0319-4786765
传真: 0319-4845306
邮箱: 776150030@qq.com
网址:www.grillkohle24.com
地址:河北省邢台市新河县城北工业区
冀ICP备14015322号-7